Last updated: 30 พ.ค. 2567 | 2641 จำนวนผู้เข้าชม |
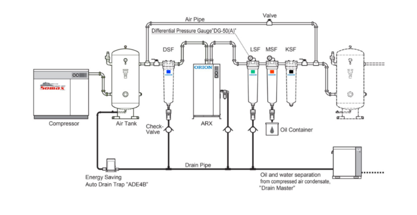
กระบวนการทำงานของ Refrigerated Air Dryer (แอร์ไดเออร์แบบใช้น้ำยาทำความเย็น)
การทำงานของแอร์ไดเออร์ที่ใช้น้ำยาทำความเย็นจะถูกแบ่งออกเป็น 2 ระบบสำคัญ ดังนี้
การทำงานด้านระบบน้ำยาทำความเย็นของแอร์ไดเออร์
ระบบการทำงานตรงนี้ของแอร์ไดเออร์จะมีความคล้ายคลึงกับระบบเครื่องปรับอากาศ เพียงแต่หน้าที่ของคอยล์เย็นในเครื่องทำลมแห้งจะมีหน้าที่ดึงความชื้นออกจากอากาศ โดยเริ่มจากที่เครื่องอัดลมหรือ Compressor ดูดน้ำยาทำความเย็นจากคอยล์เย็น ซึ่งมีสถานะเป็นไอและมีความดันสูง อุณหภูมิต่ำ เข้าสู่คอนเดนเซอร์หรือคอยล์ร้อน จากนั้นน้ำยาทำความเย็นจะเริ่มเปลี่ยนสถานะเป็นของเหลวที่มีความดันและอุณหภูมิสูง และส่งต่อไปลดความดันที่วาล์วลดแรงดัน (Expansion Valve) เพื่อเปลี่ยนสถานะกลายเป็นไออีกครั้ง ขั้นตอนนี้น้ำยาทำความเย็นจะดูดความร้อนรอบข้างเพื่อเปลี่ยนสถานะ ทำให้อุณหภูมิบริเวณคอยล์เย็นลดลง
การทำงานด้านระบบลมอัดของแอร์ไดเออร์
กระบวนการนี้เริ่มต้นเมื่อลมเคลื่อนที่ออกจากเครื่องอัดลมหรือ Compressor เข้าสู่ถังพักลม จากนั้นคอยล์ทำความเย็นของแอร์ไดเออร์จะทำการเปลี่ยนความร้อนกับน้ำยาทำความเย็นที่มีอุณหภูมิต่ำ เกิดการควบแน่นจนกลายเป็นหยดน้ำ และระบายทางช่องระบายน้ำอัตโนมัติของเครื่อง โดยที่ลมอัดจะถูกส่งออกจากแอร์ไดเออร์ ซึ่งลมอัดส่วนนี้จะมีความแห้งพร้อมต่อการใช้งาน แต่ก็อาจจะไม่ได้แห้งสนิท 100 เปอร์เซ็นต์ เนื่องจากปกติแล้วจุด Dew Point ของแอร์ไดเออร์ชนิดนี้จะอยู่ที่ 2 ถึง 10 องศาเซลเซียส
แอร์ไดเออร์แบบใช้น้ำยาทำความเย็นมีกี่ประเภท
ทราบถึงหลักการทำงานในแต่ละส่วนของแอร์ไดเออร์แบบใช้น้ำยาทำความเย็นกันแล้ว ทีนี้ก่อนจะตัดสินใจเลือกซื้อแอร์ไดเออร์ ควรต้องทราบถึงประเภทของเครื่องทำลมแห้งประเภทนี้เสียก่อน เพราะมันมีข้อดีข้อเสีย และราคาต่างกัน
Cycling Dryer
แอร์ไดเออร์แบบใช้น้ำยาทำความเย็นที่สามารถรักษาระดับอุณหภูมิ Dew Point ไว้ได้ต่อเนื่องและคงที่ เนื่องจากระบบของเครื่องทำลมแห้งจะทำงานอยู่ตลอดเวลา ซึ่งการจะทำเช่นนี้ได้ จำเป็นต้องมีการติดตั้งอุปกรณ์เสริมเพิ่มเติม ได้แก่ ตัวควบคุมความร้อนและตัวควบคุมความถี่ สำหรับควบคุมระบบเปิดปิดเครื่องอัตโนมัติ ช่วยให้เครื่องทำลมแห้งสามารถใช้พลังงานได้อย่างมีประสิทธิภาพที่สุด ข้อดีของแอร์ไดเออร์ประเภทนี้ คือจุด Dew Point คงที่ หมดข้อกังวลเรื่อง Pressure Drop รวมถึงติดตั้งใช้งานง่าย เสียงรบกวนต่ำ แต่ก็ต้องแลกมาด้วยค่าใช้จ่ายที่สูงขึ้นกว่าเดิมในระยะแรก
Non-Cycling Dryer
แอร์ไดเออร์ที่มีลักษณะการทำงานเป็นรอบตามระยะ และจะเริ่มทำงานใหม่เมื่ออุณหภูมิตกลงหรือไม่ได้ตามที่ต้องการ ถือเป็นแอร์ไดเออร์ตัวเริ่มต้นที่เหมาะสำหรับอุตสาหกรรมขนาดเล็ก ต้นทุนไม่สูง เพราะแอร์ไดเออร์ประเภทนี้สามารถช่วยในการพัฒนาคุณภาพอากาศอัดได้ดีเพียงพอต่อการใช้งานในอุตสาหกรรมทั่วไปแล้ว เพราะใช้แรงอัดในการทำความเย็นต่อเนื่อง รวมถึงใช้แก๊สร้อนเพื่อส่งไปยังวาล์วสำหรับเปลี่ยนสารทำความเย็น ซึ่งข้อดีของเครื่องทำลมแห้งประเภทนี้จะมีราคาไม่แพงมาก ใช้งานง่ายไม่ซับซ้อน แต่ยังให้อากาศอัดที่แห้งและสะอาด แต่อาจต้องแลกมาด้วยความคงที่ของอุณหภูมิ Dew Point ที่สู้กับรุ่น Cycling Dryer ไม่ได้

13 มี.ค. 2569
12 มี.ค. 2569
14 มี.ค. 2569
16 มี.ค. 2569